일상의 당연함을 과학적 가치로
바이오 연료, 전기, 비료, 화폐로 탄생

우리 조상들은 농사짓는 땅에 인분(人糞)을 뿌려 거름으로 활용했다. 과거 남의 집에서 큰일을 보는 건, 귀한 자원을 남에게 주는 일이기에 야단맞을 일이었다고 한다. 조상들은 일찍이 '똥'의 가치를 알고 있었다. 지식은 없었지만 경험이 과학을 앞질렀던 것이다.
과거처럼 화장실에서 시작하는 생태 혁명이 지금 일어나고 있다. 똥을 자원으로 활용하는 울산과학기술원(UNIST) 생활형 연구소 '사이언스 월든'이 그곳이다. 이 공간내 화장실에서 '일을 보면' 각종 장치를 거쳐 똥이 바이오 연료로, 전기 에너지로, 비료로 재탄생한다.
과학자들은 오염원으로 여겨지던 똥을 뒤집어 생각했다. 똥을 자원으로 생각하고, 나아가 이를 처리하는 과정을 없애고 물을 절약하는 '1석 3조 효과'를 기대한 것이다.
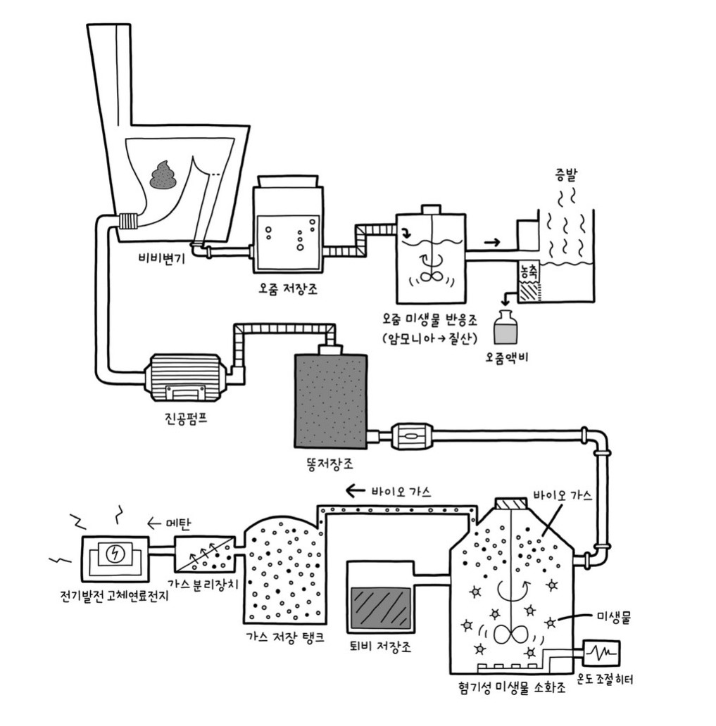
UNIST 연구진에 따르면 인간은 한평생 6t에 이르는 똥을 누고 이를 물을 통해 하천으로 흘려 보낸다. 그러나 똥은 유기물이어서 흙에선 분해돼 비옥한 토양을 만들지만, 물에선 분해되지 않는다. 무가치한 자원이자 오염물이 되는 셈이다.
이에 UNIST 연구진은 비수세식 화장실(비비화장실)을 만들었다. 이 변기는 대변과 소변을 분리한다. 분리된 똥은 진공펌프를 통해 혐기성(공기 중 산소가 필요 없는 성질) 미생물 소화조로 보내진다. 이 변기 특징은 초절수식이어서 적은 양의 물을 이용하고 압력으로 똥을 모으고 보낸다.
혐기성 미생물 소화조에는 미생물이 산다. 미생물이 똥을 먹이로 삼아 바이오 가스를 만들어낸다. 미생물이 살아야 하는 만큼 온도 조절 히터가 있어 근처에 가면 열기가 느껴지기도 한다. 이 바이오 가스는 에너지 저장 탱크로 가거나 고체 산화물 연료전지(SOFC)를 통해 전기 에너지로 변환된다.

실제로 사이언스 월든 공간의 모든 전기와 에너지는 똥으로 만들어진다. 이곳은 비비화장실과 약 5평 크기 주거 공간 3실, 인분을 에너지로 전환하는 장비를 갖춘 바이오 센터와 바이오 에너지 식당 등으로 구성된다. 이 공간에선 관련 연구자들이 연구를 하거나 예술가들이 몇 주간 머물며 작품 활동 등을 한다.
사이언스 월든 화장실 사용자는 '꿀'이라는 사이버 화폐도 받는다. 한 번 배설할 때 '10꿀'이 지급된다. 소위 똥이 화폐 기준이 되는 '똥본위화폐'다. 이 가상 화폐로 캠퍼스 내 물품을 구매할 수도 있다.
연구팀에 따르면 한 사람이 하루에 배설하는 인분의 가치는 500원 정도이다. 전 국민이 똥을 기준으로 하는 화폐를 사용하면 매년 약 9조원에 달하는 가치를 창출할 수 있다.
조재원 UNIST 도시환경공학부 교수는 사이언스 월든을 고안한 배경으로 "인분을 통한 생태 변화를 이끌고, 이를 화폐나 에너지로 사용해 새로운 가치를 제시하기 위한 것"이라며 "인분을 에너지로 변환하면 세상에 없던 가치가 생기고, 그 가치 속에 새로운 가치공동체가 형성된다"고 말했다.
독자들의 PICK!
